一、素颜的原唱1、《素颜》是许嵩演唱的一首歌曲,由许嵩作词,许嵩作曲,夏侯哲编曲,收录于许嵩2010年8月18日发行的录音室专辑《素颜》中[7]。2、2018年1月,凭借这首歌曲许嵩获得造梦狂欢——2018唱吧嗨典年度最佳男歌手[8]。 二
tyco气动蝶阀怎么样 卫生级气动蝶阀
一、tyco气动蝶阀怎么样1、TYCO气动蝶阀FF90系列是通用型弹性阀座蝶阀,既适合开关用途是适合调节用途,包覆阀板多用于腐蚀性或磨蚀性介质。2、适用于印染整厂、食品、饮料、化工、石油、造纸等要求气泡级密封的所以场合当中, 阀板阀杆、阀座
一、tyco气动蝶阀怎么样
1、TYCO气动蝶阀FF90系列是通用型弹性阀座蝶阀,既适合开关用途是适合调节用途,包覆阀板多用于腐蚀性或磨蚀性介质。
2、适用于印染整厂、食品、饮料、化工、石油、造纸等要求气泡级密封的所以场合当中, 阀板阀杆、阀座可在现场更换,材料还有多种可供选择。
3、绝大多数印染厂商都更倾向于选择TYCO气动蝶阀比起国产蝶阀,此款蝶阀也可与其他公司手动、电动、气动执行器机构相配一起,作为切断或流量调节用。

二、气动蝶阀如何调节开度
1、气动蝶阀的开度可以通过控制气动执行器的操作方式来进行调节。通常情况下,气动执行器配有一个位置调节机构,其中包括一个带有线性位置反馈的电动执行器或一个旋转角度反馈的气动执行器。通过调整控制信号的电流或气压,可以实现对执行器的运动,进而控制蝶阀的开度。
2、该机构可以精确地控制阀门的位置,并随着系统需要进行实时调节,以确保阀门的开度满足流量控制的要求。
3、简而言之,气动蝶阀的开度可以通过调节气动执行器的控制信号来实现。
三、气动阀门气源管一般用多厚
1、取决于设计要求和实际应用场景。
2、一般来说,气源管壁厚需要根据管道材质、工作压力、管道直径等因素进行设计计算。在实际应用中,气源管的壁厚一般需要根据实际情况进行选择,以满足使用要求和安全性能。
3、例如,在一般工业应用中,气源管的壁厚通常在0.5-3mm之间。对于高压力、大口径等特殊应用场景,可能需要更厚的管道壁来保证管道强度和安全性。同时,不同材料的气源管壁厚也不同,如不锈钢、铜、铝合金等材质的管道壁厚选择也会有所不同。
4、因此,在实际应用中,需要根据具体情况选择合适的气源管壁厚,以满足使用要求和安全性能。如有需要,建议咨询专业工程师或查阅相关规范标准来确定具体的气源管壁厚。
四、气动阀属于仪表设备吗
1、属于。
2、看阀门有没有远程控制的功能,如果有远程控制就是仪表阀门,否则就是工艺阀门。由此,气动阀门基本都是仪表阀门,电动阀门中需要接控制电缆的是仪表阀门,否则是工艺阀门。手动阀门都是工艺阀门。自力式调节阀可以当做工艺阀门采购,也可以当做仪表阀门采购。
五、气动煤气蝶阀作用是什么
1、用途:可用于低压管道介质的开关控制。蝶阀是指关闭件(阀瓣或蝶板)为圆盘,围绕阀轴旋转来达到开启与关闭的一种阀,在管道上主要起切断和节流作用。
2、蝶阀启闭件是一个圆盘形的蝶板,在阀体内绕其自身的轴线旋转,从而达到启闭或调节的目的。
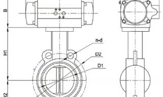
3、蝶阀适用于发生炉、煤气、天然气、液化石油气、城市煤气、冷热空气、化工冶炼和发电环保等工程系统中输送各种腐蚀性、非腐蚀性流体介质的管道上,用于调节和截断介质的流动。简介:气动蝶阀是由气动执行器和蝶阀组成。气动蝶阀是用随阀杆转动的圆形蝶板做启闭性,以实现启用动作的气动阀门主要做截断阀使用,亦可设计成具有调节或段阀兼调节的功能,目前蝶阀在低压大中口径管道上的使用越来越多。气动蝶阀分类:不锈钢气动蝶阀,硬密封气动蝶阀,软密封气动蝶阀,碳钢气动蝶阀。
相关文章
- 详细阅读
-
大连虎跃快客停运了吗 锦州虎跃快客时刻表详细阅读
一、大连虎跃快客停运了吗虎跃快客不是大连的,是沈阳方面的,丛疫情开始也未停过,目前还在营运,在大连火车站广场南电车站南路边上停车上客,还有一部分在大连火车站北场道西有停,往何地运输说不好,反正沒停运过,主要路线沈阳鞍山方向开大连往返,目前车
-
法国队世界杯成绩汇总 2018年世界杯法国夺冠过程详细阅读
法国队世界杯成绩汇总法国队世界杯常客,总共参加了18次世界杯,欧洲仅次于德国的20次,排第二名,其18次参赛共获得了3次冠军,5次亚军,6次8强,3次4强,最差的一次是2010南非世界杯小组未出线,这样的战绩在全球仅次于德国,巴西,意大利,
-
第九届青歌赛冠军歌曲 谭晶青歌赛详细阅读
一、第九届青歌赛冠军歌曲1、《我是天真》2、倪睿思,出生于上海市,中国内地流行乐女歌手、影视演员。3、2000年,获得“第九届全国青年歌手电视大奖赛”业余组通俗唱法冠军、全国观众最喜爱的歌手奖,从而正式进入演艺圈2001年,参加央视春晚,并
-
造梦西游4手游咚咚猴碎片怎么获得 造梦西游3大闹天庭详细阅读
一、造梦西游4手游咚咚猴碎片怎么获得1、造梦西游4手游咚咚猴碎片的获得方法有: 2、八戒噩梦-禺狨王焚烧殆尽VIP副本:掉落物品:皮肤·豪豪穿过的护腕。3、副本-大闹天宫:掉落物品:饰品·豪豪戴过的帽子。4、副本-三太子之乱:掉落物品:饰品
-
郑秀文最佳歌曲 郑秀文新歌详细阅读
一、郑秀文最佳歌曲《终身美丽》。《终身美丽》是电影《瘦身男女》的主题曲。歌词表达了一种保持终身美丽的态度,以更加坚定执着的心态去迎接未来。哪有什么岁月静好,只不过有人在替你负重前行。哪有什么感同身受,有的只是冷暖自知。所有的坚强和坚守,都是
-
秋冬男装休闲西服雅戈尔品牌怎么样款式如何 雅戈尔西服详细阅读
一、秋冬男装休闲西服雅戈尔品牌怎么样款式如何1、雅戈尔 2、杉杉 3、报喜鸟 4、七匹狼 5、劲霸 6、GXG 7、森马 8、利郎 9、圣得西 10、巴鲁特 十、巴鲁特 发源地:浙江省 品牌介绍:巴鲁特服饰股份有限公
-
刚买的电脑听歌没有声音 电脑没声音怎么解决详细阅读
一、刚买的电脑听歌没有声音1.检查声卡、连接线,以及音箱等设备是否连接正常2.检查音量是否开启,是否为静音状态;3.检查相关听歌软件或视频软件中的音量是否开启;4.检查设备管理器里的声卡驱动是否正常,(没有黄色感叹号,表示正常,有,则表示驱
-
描写小草的贬义词有哪些 无知的小草详细阅读
一、描写小草的贬义词有哪些1、白草黄云2、成语释义:形容边塞秋季的荒凉景象。3、拨草寻蛇4、成语释义:比喻招惹恶人,自找麻烦。5、拨草瞻风 6、成语释义:比喻善于观察事物。7、不弃草昧8、成语释义:草昧:原始,未开化。不嫌弃蒙昧无知的人。用
-
7月以后医保是每人75元吗 7月医保报销新规范详细阅读
一、7月以后医保是每人75元吗1、不是,2021年1月1日起,参保居民每人每年75元的个人账户取消了,实行门诊统筹政策。参保居民医保待遇不会降低,每人每年可报销200元的门诊费用,每次最高支付限额50元,可以在村卫生室、乡镇卫生院(自由选择
-
吴荣照为啥被叫吴憨憨 吴荣照照片详细阅读
一、吴荣照为啥被叫吴憨憨因为他在《远大前程》中饰演的角色表现过于憨厚可爱,被称作吴憨憨。吴荣照在《远大前程》中饰演的角色徐文浩,是一个善良、天真、单纯、憨厚可爱的人物形象,他的表演让人们产生一种亲切感和好感,所以被人们称作吴憨憨。除了在《远
